Descripción
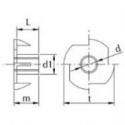
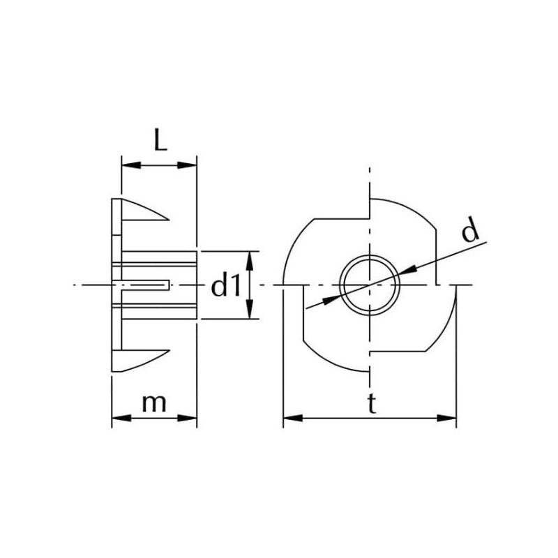
Es un tipo de tuerca que debido a sus puas se clava en la madera para garantizar la fijación. Estas tuercas son piezas de apriete que van fijadas en la madera y gracias a sus puas quedan clavadas, logrando impedir que la tuerca se desenrosque fácilmente.
Características
Acabado
Zincado
