Descripción
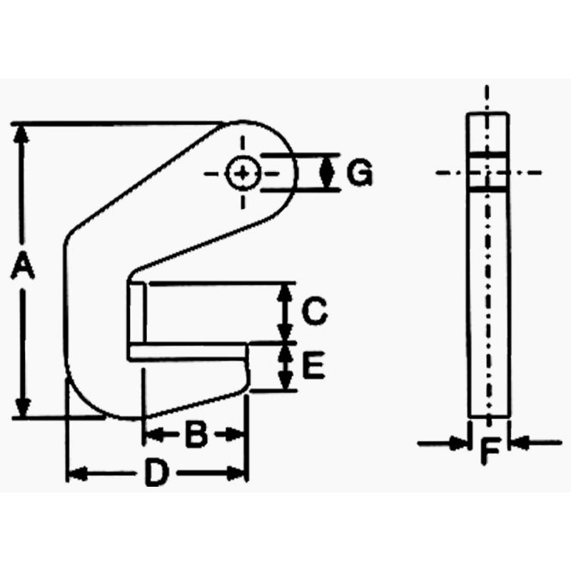
Las Garras Horizontales para Tubos Jaguar Modelo DH están diseñadas específicamente para la elevación y transporte de tuberías de acero y hormigón.
Con un diseño compacto y ligero, estas garras ofrecen una alta capacidad de elevación, permitiendo un manejo eficiente y seguro de las cargas pesadas.
Se suministran por pares y cuentan con mordazas fácilmente intercambiables, lo que asegura una mayor versatilidad y facilidad de mantenimiento en entornos industriales.
Características Principales del Producto
·Ideal para el transporte de tuberías de acero y hormigón con alta capacidad de elevación.
·Suministradas por pares: Garantiza un manejo equilibrado y seguro de la carga.
·Mordazas intercambiables: Facilita el mantenimiento y reemplazo de las mordazas.
·Carga mínima de trabajo: No debe ser inferior al 10% de la carga máxima especificada.
·Ángulo máximo de inclinación: 60º máximo de inclinación de las dos garras sujetando el tubo.
Datos Técnicos
·Capacidad de carga: Adecuada para elevación de tuberías de acero y hormigón.
·Suministro: Viene en pares.
·Mordazas: Intercambiables.
·Carga mínima de trabajo: No inferior al 10% de la carga máxima.
·Inclinación máxima: 60º para una elevación segura de los tubos.
Aplicaciones y Usos Industriales
·Transporte de tuberías de acero y hormigón: Ideal para manipular tuberías pesadas en fábricas de acero, obras de construcción y proyectos de infraestructura.
·Elevación de materiales pesados: Adecuada para su uso en elevación y tracción de tuberías grandes y voluminosas.
·Uso en combinación con otros equipos de elevación: Compatible con sistemas de carros de empuje y otros equipos de manipulación de cargas pesadas.
