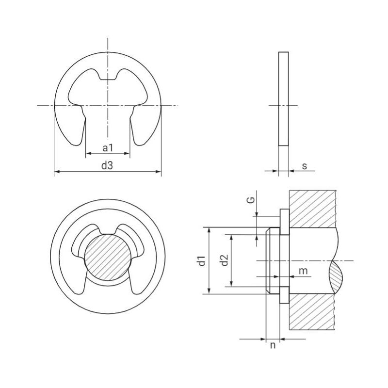
Descripción
El diseño del perfil interior consigue obtener un apriete conveniente sobre el fondo de la ranura, evitando con ello desgastes innecesarios que lógicamente se producirían en elementos móviles, si la arandela fuese montada sin la adecuada tensión.
Material: Acero para muelles
Dureza: HV 460/580 - HRC 46/54
Acabado: Aceitado antioxidante
